CP70離心機啟動后顯示面板不亮
超速離心機廣泛應用于全國各大專院校、 科研單位以及生化制藥等部門,在科研和生產中發揮了重要作用。但由于長時間的運行,儀器元器件老化、機械部分磨損,產生一些故障?,F就本公司生產的CP70 型超速離心機(56000R/ min) 為例,就出現的幾種故障現象及排除方法簡 單介紹如下(它同時也適合本公司生產的CP56 、CP70 、CP70G、CP56G 幾種機型):
故障現象 開啟離心機電源開關后,機器不啟動,顯示面板所有顯示均不亮。
故障分析 因CP70離心機電源開啟后,首先進行初始化過程,對核心電路進行檢測,若初始化過 程出現問題,則處于停機狀態進入死循環,根據 故障現象可初步判斷該機沒有進行初始化過程,導致沒有初始化過程的主要原因有:
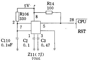
(1) 控制板上的微處理器 upd7810 未復位;
(2) 沒有時鐘信號;
(3) ROM 中程序損壞;
(4) 微處理器 upd7810 損壞。

圖1
檢修方法:
在檢修過程中應采取先易后難的原則,首先檢查微處理的復位情況。用低電平信號瞬間送到微處理器upd7810 的28腳復位端(見 圖1)機器開啟,進入正常工作狀態,顯示面板亦 工作正常,這說明故障發生在復位電路。

圖2
由于機器工作一段時間后,元器件的性能發生變化,導致產生的復位脈沖不符合要求(正常復位脈沖約十幾ns)重新調整復位電路中的電容C后,機器工作正常。如Z? 、TL7705 集成塊損壞,在購不到的情況下,亦可直接用如圖2的一個積分電路 r= RC>12ns 代替。
