-
攻克日立CR21N離心機E13錯誤,解決方法揭秘
實驗室主管親授:攻克日立CR21N離心機E13錯誤,解決方法揭秘 我,身為一位有多年實驗儀器操作經驗的實驗室主管,也曾遇到過您的困擾日立CR21N離心機開機出現E13錯誤提示,并且無法
-
日立離心機故障警報:E13、E48,如何從容解決?
課題組重要設備 日立CR21G離心機 ,常因其穩定表現成為研究工作的有力支持者。然而,偶爾它也會出現故障問題。近日,我們接收到兩個常見警告碼:E13與E48。出于此因,今天將為各位解決himac離心機報錯13詳細解釋。
-
揭秘日立離心機蓋子打不開的絕招,教你輕松應
尊敬的讀者朋友們,你們有沒有遇到過艱難轉動離心機蓋子卻怎么也打不開的情況呢?這無疑是個比較難受的事情,但請放心,我這里為大家準備好了幾個妙招來解決這類常見難題哦
-
故障代碼解析:日立離心機E11、E12、E13,如何妥
面對令人費解的設備錯誤代碼(如: 日立離心機 所出現的 E11、E12、E13 等),您是不是感到無所適從呢?這篇文章將為您提供相關經驗與技巧,助您妥善應對這些復雜情況讓我們共同學
-
日立超速離心機:速率區帶離心法 |你的分離純化
日立超速離心機 該方法的優點是可以同時使樣品中幾種或全部組分分離,具有良好的分辨率,分離效果好,可一次獲得較純組分。 缺點是離心時間較長,需制備梯度液,操作要求高。
-
日立超速離心機驅動結構發展淺談
在現代科技的發展下, 日立超速離心機 已經成為實驗室和工業生產中不可或缺的設備。然而,要想選擇一臺性能優良的超速離心機并不容易。你是否曾經遇到過振動大、噪音高、轉速
-
CP70離心機啟動后顯示面板不亮
超速離心機廣泛應用于全國各大專院校、 科研單位以及生化制藥等部門,在科研和生產中發揮了重要作用。但由于長時間的運行,儀器元器件老化、機械部分磨損,產生一些故障。現就
-
ct15r離心機溫控繼電器故障不能正常工作
西安某科技大學實驗室用戶按操作要求開啟離心機電源,將調溫旋鈕調至所需溫度,溫度指示表指示設定溫度 t0 與實際溫度t1 的偏離度。制冷壓縮機啟動,狀態正常。制冷一段時間后
-
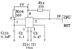
日立CR21G離心機開機出現 er13”錯誤
日立CR21G離心機的常見故障包括:(1) 轉動系統故障。(2) 真空系統密封不嚴。由于只有超速離心機 (55000~ 150000r/min) 才需配備真空裝置, 所以該類故障僅存在于超速離心機。(3) 制冷系統
-
日立CP70ME高速冷凍離心機制熱而不制冷的故障
日立 CP70ME 型高速冷凍離心機性能穩定,操作方便,上海某高校實驗室里有臺該機型溫控部分易出現失控現象。轉子室內制熱而不制冷的故障檢修方法。
